Product Summary
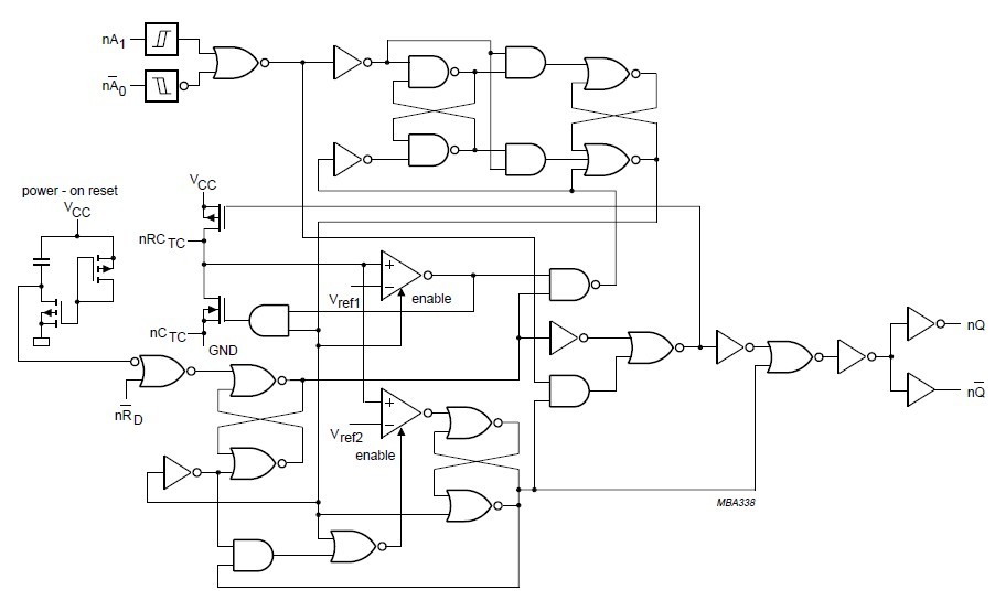
The 74HC4538N is a high-speed Si-gate CMOS device and is pin compatible with 4538 of the 4000B series. It is specified in compliance with JEDEC standard no. 7A. The 74HC4538N is dual retriggerable-resettable monostable multivibrator. Each multivibrator has an active LOW trigger/retrigger input (nA0), an active HIGH trigger/retrigger input (nA1) , an overriding active LOW direct reset input (nRD), an output (nQ) and its complement (nQ), and two pins (nCTC and nRCTC) for connecting the external timing components Ct and Rt.
Parametrics
74HC4538N characteristics: (1)tPLH propagation delay nA0, nA1 to nQ: Tamb=+25℃: typ=85ns, max=265ns; Tamb=-40 to +85℃: max=330ns; Tamb=-40 to +125℃: max=400ns; VCC: 2.0V; (2)tPHL propagation delay nA0, nA1 to nQ: Tamb=+25℃: typ=83ns, max=265ns; Tamb=-40 to +85℃: max=330ns; Tamb=-40 to +125℃: max=400ns; VCC: 2.0V; (3)tPHL propagation delay nRD to nQ: Tamb=+25℃: typ=80ns, max=265ns; Tamb=-40 to +85℃: max=330ns; Tamb=-40 to +125℃: max=400ns; VCC: 2.0V; (4)tPLH propagation delay nRD to nQ: Tamb=+25℃: typ=83ns, max=265ns; Tamb=-40 to +85℃: max=340ns; Tamb=-40 to +125℃: max=400ns; VCC: 2.0V.
Features
74HC4538N features: (1)Separate reset inputs; (2)Triggering from leading or trailing edge; (3)Output capability: standard; (4)ICC category: MSI; (5)Power-on reset on-chip.
Diagrams

| Image | Part No | Mfg | Description | ![]() |
Pricing (USD) |
Quantity | ||||||||||||
|---|---|---|---|---|---|---|---|---|---|---|---|---|---|---|---|---|---|---|
![]() |
![]() 74HC4538N,652 |
![]() NXP Semiconductors |
![]() Monostable Multivibrator DUAL MONO RETRIG PRECISION |
![]() Data Sheet |
![]()
|
|
||||||||||||
| Image | Part No | Mfg | Description | ![]() |
Pricing (USD) |
Quantity | ||||||||||||
![]() |
![]() 74HC |
![]() Other |
![]() |
![]() Data Sheet |
![]() Negotiable |
|
||||||||||||
![]() |
![]() 74HC/HCT02 |
![]() Other |
![]() |
![]() Data Sheet |
![]() Negotiable |
|
||||||||||||
![]() |
![]() 74HC/HCT03 |
![]() Other |
![]() |
![]() Data Sheet |
![]() Negotiable |
|
||||||||||||
![]() |
![]() 74HC/HCT10 |
![]() Other |
![]() |
![]() Data Sheet |
![]() Negotiable |
|
||||||||||||
![]() |
![]() 74HC/HCT107 |
![]() Other |
![]() |
![]() Data Sheet |
![]() Negotiable |
|
||||||||||||
![]() |
![]() 74HC/HCT109 |
![]() Other |
![]() |
![]() Data Sheet |
![]() Negotiable |
|
||||||||||||
(China (Mainland))










