Product Summary
The TMS320F2808PZQ is a Digital Signal Processor. It is a highly integrated, high-performance solution for demanding control application.
Parametrics
TMS320F2808PZQ absolute maximum ratings: (1)Supply voltage range, V DDIO , V DD3VFL:- 0.3 V to 4.6 V; (2)Supply voltage range, V DDA2 , V DDAIO:- 0.3 V to 4.6 V; (3)Supply voltage range, V DD:- 0.3 V to 2.5 V; (4)Supply voltage range, V DD1A18 , V DD2A18:- 0.3 V to 2.5 V; (5)Supply voltage range, V SSA2 , V SSAIO , V SS1AGND , V SS2AGND:-0.3 V to 0.3 V; (6)Input voltage range, V IN:- 0.3 V to 4.6 V; (7)Output voltage range, V O:- 0.3 V to 4.6 V; (8)Input clamp current, I IK (V IN < 0 or V IN > V DDIO ):± 20 mA; (9)Output clamp current, I (V < 0 or V > V ):± 20 mA; (10)Junction temperature range:- 40℃ to 150℃; (11)Storage temperature range:- 65℃ to 150℃.
Features
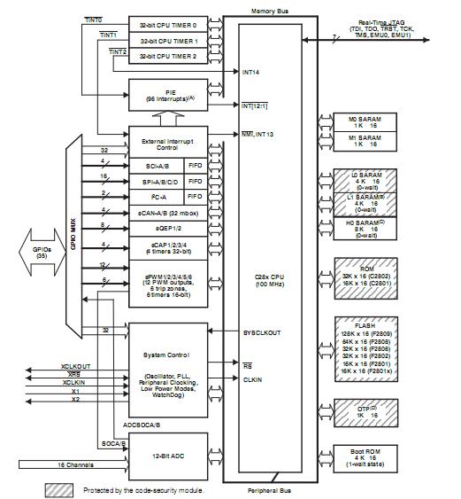
TMS320F2808PZQ features: (1)High-Performance Static CMOS Technology; (2)JTAG Boundary Scan Support; (3)High-Performance 32-Bit CPU; (4)On-Chip Memory; (5)Clock and System Control; (6)Any GPIO A Pin Can Be Connected to One of the Three External Core Interrupts; (7)Peripheral Interrupt Expansion (PIE) Block That Supports All 43 Peripheral Interrupts; (8)128-Bit Security Key/Lock; (9)Enhanced Control Peripherals; (10)Three 32-Bit CPU Timers; (11)Serial Port Peripherals; (12)12-Bit ADC, 16 Channels; (13)Advanced Emulation Features.
Diagrams

| Image | Part No | Mfg | Description | ![]() |
Pricing (USD) |
Quantity | ||||||||||||
|---|---|---|---|---|---|---|---|---|---|---|---|---|---|---|---|---|---|---|
![]() |
![]() TMS320F2808PZQ |
![]() Texas Instruments |
![]() Digital Signal Processors & Controllers (DSP, DSC) 32-Bit Digital Sig Controller w/Flash |
![]() Data Sheet |
![]()
|
|
||||||||||||
| Image | Part No | Mfg | Description | ![]() |
Pricing (USD) |
Quantity | ||||||||||||
![]() |
![]() TMS3112 |
![]() Other |
![]() |
![]() Data Sheet |
![]() Negotiable |
|
||||||||||||
![]() |
![]() TMS3121 |
![]() Other |
![]() |
![]() Data Sheet |
![]() Negotiable |
|
||||||||||||
![]() |
![]() TMS320 |
![]() Other |
![]() |
![]() Data Sheet |
![]() Negotiable |
|
||||||||||||
![]() |
![]() TMS32010 |
![]() Other |
![]() |
![]() Data Sheet |
![]() Negotiable |
|
||||||||||||
![]() |
![]() TMS320AV7110 |
![]() Other |
![]() |
![]() Data Sheet |
![]() Negotiable |
|
||||||||||||
![]() |
![]() TMS320BC51PQ100 |
![]() Texas Instruments |
![]() Digital Signal Processors & Controllers (DSP, DSC) TMS320C51PQ - 132QFP - 100MHZ/BOOT CODE |
![]() Data Sheet |
![]() Negotiable |
|
||||||||||||
(China (Mainland))










