Product Summary
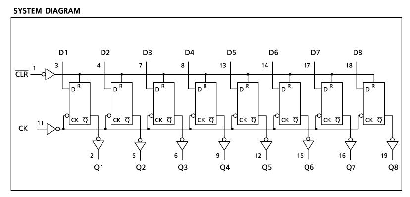
The TC74VHC273FT is an advanced high speed CMOS OCTAL D-type FLIP FLOP fabricated with silicon gate CMOS technology. The TC74VHC273FT achieves the high speed operation similar to equivalent Bipolar Schottky TTL while maintaining the CMOS low power dissipation. The TC74VHC273FT prevents device destruction due to mismatched supply and input voltages.
Parametrics
TC74VHC273FT absolute maximum ratings: (1)Supply Voltage: -0.5V to +7.0V; (2)DC Input Voltage: -0.5V to +7.0V; (3)DC Output Voltage: -0.5V to VCC + 0.5V; (4)Input Diode Current: -20mA; (5)Output Diode Current: ±20mA; (6)DC Output Current: ±25mA; (7)DC VCC/GND Current: ±75mA; (8)Storage Temperature: -65℃ to +150℃; (9)Power Dissipation: 180mW.
Features
TC74VHC273FT features: (1)High speed: fMAX =165MHz(typ.) at VCC = 5V; (2)Low power dissipation: ICC =4μA(Max.) at TA=25℃; (3)High noise immunity: VNIH = VNIL =28% VCC(Min.); (4)Power Down protection is provided on all inputs; (5)Balanced propagation delays: TPLH≈TPHL; (6)Wide operating voltage range: VCC(opr) =2V to 5.5V; (7)Low noise: VOLP =0.9V(Max.); (8)Pin and function compatible with 74ALS273.
Diagrams

| Image | Part No | Mfg | Description | ![]() |
Pricing (USD) |
Quantity | ||||||||
|---|---|---|---|---|---|---|---|---|---|---|---|---|---|---|
![]() |
![]() TC74VHC273FT(ELK,M |
![]() Toshiba |
![]() Flip Flops Flip-Flop |
![]() Data Sheet |
![]()
|
|
||||||||
![]() |
![]() TC74VHC273FT(EL,M) |
![]() |
![]() IC FLIP-FLOP OCT D-TYPE 20-TSSOP |
![]() Data Sheet |
![]() Negotiable |
|
||||||||
![]() |
![]() TC74VHC273FT(EL) |
![]() |
![]() IC FLIP-FLOP OCT D-TYPE 20-TSSOP |
![]() Data Sheet |
![]() Negotiable |
|
||||||||
(China (Mainland))










