Product Summary
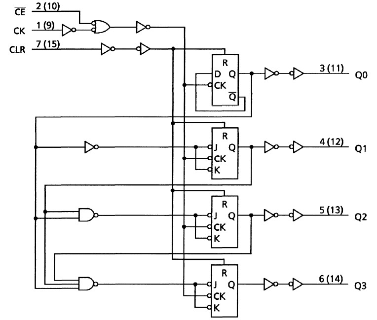
The TC74HC4520AF is a high speed CMOS dual bcd/4-bit binary counter fabricated with silicon gate C2MOS technology. The TC74HC4520AF achieves the high speed operation similar to equivalent LSTTL while maintaining the CMOS low power dissipation. Since the TC74HC4520AF contains two independent counter circuits in one package, counting or frequency division of eight binary bits can be achieved with one device. The counter is reset to “O” (Q0 to Q3 low) by setting the CLR input high regardless of the other inputs.
Parametrics
TC74HC4520AF absolute maximum ratings: (1)Supply voltage range VCC: -0.5~7 V; (2)DC input voltage VIN: -0.5~VCC + 0.5 V; (3)DC output voltage VOUT: -0.5~VCC + 0.5 V; (4)Input diode current IIK: ±20 mA; (5)Output diode current IOK: ±20 mA; (6)DC output current IOUT: ±25 mA; (7)DC VCC/ground current ICC: ±50 mA; (8)Power dissipation PD: 500 (DIP)/180 (SOP) mW; (9)Storage temperature Tstg: -65~150℃.
Features
TC74HC4520AF features: (1)High speed: fmax = 55 MHz (typ.) at VCC = 5 V; (2)Low power dissipation: ICC = 4 μA (max) at Ta = 25℃; (3)High noise immunity: VNIH = VNIL = 28% VCC (min); (4)Outputs drive capability: 10 LSTTL loads; (5)Symmetrical output impedance: |IOH| = IOL = 4 mA (min); (6)Balanced propagation delays: tpLH ≈ tpHL; (7)Wide operating voltage range: VCC (opr) = 2 to 6 V; (8)Pin and function compatible with TC4520B.
Diagrams

![]() |
![]() TC74 |
![]() Cornell Dubilier |
![]() Aluminum Electrolytic Capacitors - Leaded TUB ELEC CAP 450WVDC |
![]() Data Sheet |
![]()
|
|
||||||||||||
![]() |
![]() TC7400BP |
![]() Other |
![]() |
![]() Data Sheet |
![]() Negotiable |
|
||||||||||||
![]() |
![]() TC7404UBP |
![]() Other |
![]() |
![]() Data Sheet |
![]() Negotiable |
|
||||||||||||
![]() |
![]() TC74A0-3.3VAT |
![]() Microchip Technology |
![]() Board Mount Temperature Sensors Digital Thermal |
![]() Data Sheet |
![]()
|
|
||||||||||||
![]() |
![]() TC74A0-3.3VCTTR |
![]() Microchip Technology |
![]() Board Mount Temperature Sensors Digital Thermal |
![]() Data Sheet |
![]()
|
|
||||||||||||
![]() |
![]() TC74A0-3.3VCTTRG |
![]() Microchip Technology |
![]() Board Mount Temperature Sensors Digital Thermal |
![]() Data Sheet |
![]() Negotiable |
|
||||||||||||
(China (Mainland))









