Product Summary
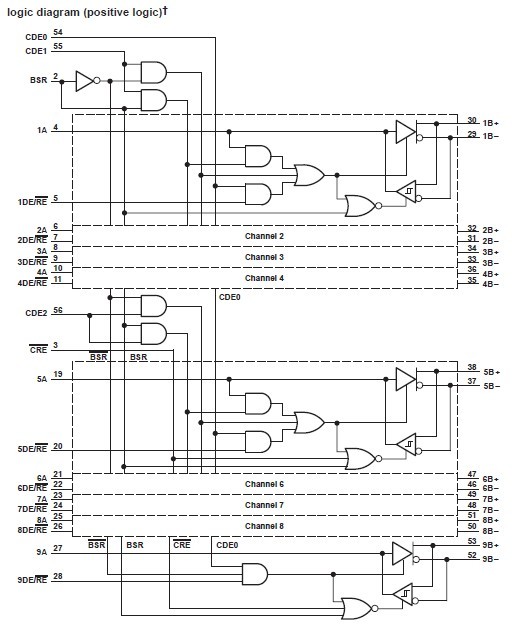
The SN75LBC976 is a 9-channel differential transceiver based on the 75LBC176 LinASICE cell. Use of TI’s LinBiCMOSE process technology allows the power reduction necessary to integrate nine differential transceivers. On-chip enabling logic makes the SN75LBC976 applicable for the data path (eight data bits plus parity) and the control path (nine bits) for both the Small Computer Systems Interface (SCSI) and the Intelligent Peripheral Interface (IPI-2) standard data interfaces. The SN75LBC976 is packaged in a shrink small-outline package (DL) with improved thermal characteristics using heat-sink terminals. This package is ideal for low-profile, space-restricted applications such as hard disk drives.
Parametrics
SN75LBC976 absolute maximum ratings: (1)Supply voltage range, VCC: -0.3 V to 7 V; (2)Bus voltage range: -10 V to 15 V; (3)Data I/O and control (A-side) voltage range: -0.3 V to 7 V; (4)Continuous power dissipation: internally limited; (5)Operating free-air temperature range, TA: 0℃ to 70℃; (6)Storage temperature range, Tstg: -65℃ to 150℃; (7)Lead temperature 1,6 mm (1/16 inch) from case for 10 seconds: 260℃.
Features
SN75LBC976 features: (1)Nine Differential Channels for the Data and Control Paths of the Differential Small Computer Systems Interface (SCSI) and Intelligent Peripheral Interface (IPI-2); (2)Meets or Exceeds the Requirements of ANSI Standard RS-485 and; (3)ISO 8482:1987(E); (4)Packaged in Shrink Small-Outline Package With 25-mil Terminal Pitch; (5)Designed to Operate at 10 Million Transfers Per Second; (6)Low Disabled Supply Current 1.4 mA Typical; (7)Thermal-Shutdown Protection; (8)Power-Up/Power-Down Glitch Protection; (9)Positive and Negative Output-Current Limiting; (10)Open-Circuit Fail-Safe Receiver Design.
Diagrams

| Image | Part No | Mfg | Description | ![]() |
Pricing (USD) |
Quantity | ||||||||||||
|---|---|---|---|---|---|---|---|---|---|---|---|---|---|---|---|---|---|---|
![]() |
![]() SN75LBC976 |
![]() Other |
![]() |
![]() Data Sheet |
![]() Negotiable |
|
||||||||||||
| Image | Part No | Mfg | Description | ![]() |
Pricing (USD) |
Quantity | ||||||||||||
![]() |
![]() SN75061 |
![]() Other |
![]() |
![]() Data Sheet |
![]() Negotiable |
|
||||||||||||
![]() |
![]() SN75076B |
![]() Other |
![]() |
![]() Data Sheet |
![]() Negotiable |
|
||||||||||||
![]() |
![]() SN75107A |
![]() Other |
![]() |
![]() Data Sheet |
![]() Negotiable |
|
||||||||||||
![]() |
![]() SN75107AD |
![]() Texas Instruments |
![]() Bus Receivers Dual Line |
![]() Data Sheet |
![]()
|
|
||||||||||||
![]() |
![]() SN75107ADE4 |
![]() Texas Instruments |
![]() Buffers & Line Drivers DUAL LINE RECEIVER |
![]() Data Sheet |
![]()
|
|
||||||||||||
![]() |
![]() SN75107ADG4 |
![]() Texas Instruments |
![]() Buffers & Line Drivers Dual Line Receiver |
![]() Data Sheet |
![]()
|
|
||||||||||||
(China (Mainland))










