Product Summary
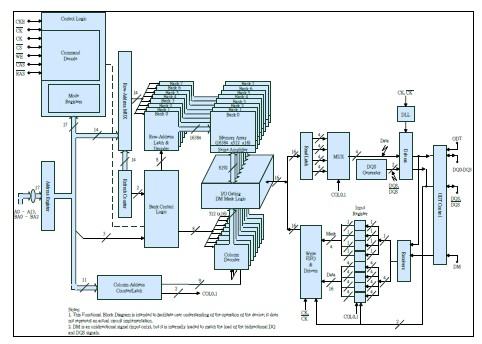
The NT5TU128M8GE-AC is a 1Gb Double-Data-Rate-2 SDRAM. It is a high-speed CMOS Double Data Rate 2 SDRAM containing 1,073,741,824 bits. It is internally configured as an octal-bank DRAM. The 1Gb chip is organized as 32Mbit x 4 I/O x 8 bank, 16Mbit x 8 I/O x 8 bank or 8Mbit x 16 I/O x 8 bank device. The NT5TU128M8GE-AC achieves high speed double-data-rate transfer rates of up to 800 Mb/sec/pin for general applications. The NT5TU128M8GE-AC operates with a single 1.8V ± 0.1V power supply and are available in BGA packages.
Parametrics
NT5TU128M8GE-AC absolute maximum ratings: (1)VDD Voltage on VDD pin relative to VSS: -1.0 to + 2.3 V; (2)VDDQ Voltage on VDDQ pin relative to VSS: -0.5 to + 2.3 V; (3)VDDL Voltage on VDDL pin relative to VSS: -0.5 to + 2.3 V; (4)VIN, VOUT Voltage on any pin relative to VSS: -0.5 to + 2.3 V; (5)TSTG Storage Temperature: -55 to + 100 ℃.
Features
NT5TU128M8GE-AC features: (1)1.8V ± 0.1V Power Supply Voltage; (2)8 internal memory banks; (3)Programmable CAS Latency: 5 (DDR2-3C), 6 (DDR2-AD); (4)Programmable Additive Latency: 0, 1, 2, 3, 4 5; (5)Write Latency = Read Latency -1; (6)Programmable Burst Length:; (7)4 and 8 Programmable Sequential / Interleave Burst; (8)OCD (Off-Chip Driver Impedance Adjustment); (9)ODT (On-Die Termination); (10)4 bit prefetch architecture; (11)Strong and Weak Strength Data-Output Driver; (12)Auto-Refresh and Self-Refresh; (13)Power Saving Power-Down modes; (14)7.8μs max. Average Periodic Refresh Interval; (15)RoHS Compliance.
Diagrams

![]() |
![]() NT5TU32M16AG-37B |
![]() Other |
![]() |
![]() Data Sheet |
![]() Negotiable |
|
||||
(China (Mainland))








