Product Summary
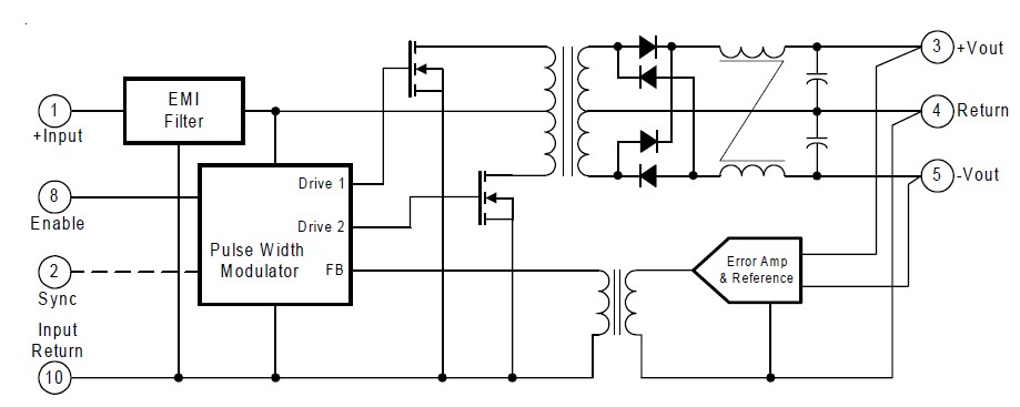
The ATW2805S/ES is an advanced analog hybrid-high reliability DC/DC converter. It features high power density and an extended temperature range for use in military and industrial applications. Designed to MIL-STD-704 input requirements, the ATW2805S/ES operates with a nominal 28 VDC inputs with ±12V and ±15V dual outputs to satisfy a wide range of requirements. The ATW2805S/ES design incorporates a pulse width modulated push-pull topology operating in the feed-forward mode at a nominal switching frequency of 270KHz. Input to output isolation is achieved through the use of transformers in the forward and feedback circuits.
Parametrics
ATW2805S/ES absolute maximum ratings: (1)Input Voltage: -0.5V to 50V; (2)Soldering Temperature: 300℃ for 10 seconds; (3)Case Temperature: Operating -55℃ to +125℃, Storage -65℃ to +135℃.
Features
ATW2805S/ES features: (1)18 to 40 VDC Input Range (28 VDC Nominal); (2)±12V and ±15V Outputs Available; (3)Indefinite Short Circuit and Overload Protection; (4)22.8 W/in Power Density; (5)30 W Output Power; (6)Fast Loop Response for Superior Transient Characteristics; (7)Operating Temperature Range from -55℃ to +125℃ Available; (8)Popular Industry Standard Pin-Out; (9)Resistance Seam Welded Case for Superior Long Term Hermeticity; (10)Efficiencies up to 85%; (11)Shutdown from External Signal; (12)Full Military Screening; (13)200,000 hour MTBF at 85℃.
Diagrams

![]() |
![]() ATW28XXD |
![]() Other |
![]() |
![]() Data Sheet |
![]() Negotiable |
|
||||
![]() |
![]() ATW2800S |
![]() Other |
![]() |
![]() Data Sheet |
![]() Negotiable |
|
||||
(China (Mainland))








