Product Summary
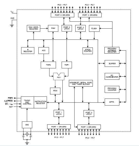
The AT89C51-24PU is a low-power, high-performance CMOS 8-bit microcomputer with 4K bytes of Flash Programmable and Erasable Read Only Memory (PEROM). The AT89C51-24PU is manufactured using Atmel’s high density nonvolatile memory technology and is compatible with the industry standard MCS-51instruction set and pinout. The on-chip Flash allows the program memory to be reprogrammed in-system or by a conventional nonvolatile memory programmer. By combining a versatile 8-bit CPU with Flash on a monolithic chip, the Atmel AT89C51 is a powerful microcomputer which provides a highly flexible and cost effective solution to many embedded control applications.
Parametrics
AT89C51-24PU absolute maximum ratings: (1)Operating Temperature: -55℃ to +125℃; (2)Storage Temperature: -65℃ to +150℃; (3)Voltage on Any Pin with Respect to Ground: -1.0V to +7.0V; (4) Maximum Operating Voltage: 6.6V; (5)DC Output Current: 15.0mA.
Features
AT89C51-24PU features: (1)Compatible with MCS-51 Products; (2)4K Bytes of In-System Reprogrammable Flash Memory Endurance: 1,000 Write/Erase Cycles; (3)Fully Static Operation: 0 Hz to 24 MHz; (4)Three-Level Program Memory Lock; (5)128×8-Bit Internal RAM; (6)32 Programmable I/O Lines; (7)Two 16-Bit Timer/Counters; (8)Six Interrupt Sources; (9)Programmable Serial Channel; (10)Low Power Idle and Power Down Modes.
Diagrams

![]() |
![]() AT8934 |
![]() TE Connectivity |
![]() General Purpose / Industrial Relays SEALED R RELAY |
![]() Data Sheet |
![]()
|
|
||||||
![]() |
![]() AT8985P |
![]() Other |
![]() |
![]() Data Sheet |
![]() Negotiable |
|
||||||
![]() |
![]() AT8989UP |
![]() Other |
![]() |
![]() Data Sheet |
![]() Negotiable |
|
||||||
![]() |
![]() AT8992-A2-T-1 |
![]() |
![]() IC SWITCH PHY 64-TQFP |
![]() Data Sheet |
![]() Negotiable |
|
||||||
![]() |
![]() AT8992M-A2-T-1 |
![]() |
![]() IC SWITCH PHY 100-MQFP |
![]() Data Sheet |
![]() Negotiable |
|
||||||
![]() |
![]() AT8993-A2-T-1 |
![]() |
![]() IC SWITCH PHY 100-MQFP |
![]() Data Sheet |
![]() Negotiable |
|
||||||
(China (Mainland))








