Product Summary
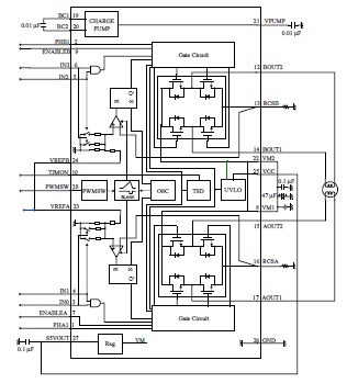
The AN44069A-VF is a two channels H-bridge driver IC. Bipolar stepping motor can be controlled by a single driver IC. 2-phase, half-step, 1-2 (type2) phase, W1-2 phase can be selected. The AN44069A-VF is designed for stepping motor drives.
Parametrics
AN44069A-VF absolute maximum ratings: (1)Supply voltage 1(Pin 8, 22) VM: 37 V; (2)Supply voltage 2(Pin 25) VCC: –0.3 to +6 V; (3)Power dissipation PD: 0.717 W; (4)Operating ambient temperature Topr: –20 to +70 ℃; (5)Storage temperature Tstg: –55 to +150 ℃; (6)Output pin voltage (Pin 12, 14, 15, 17) VOUT: 37 V; (7)Motor drive current (Pin 12, 14, 15, 17) IOUT: ±1.5 A; (8)Flywheel diode current (Pin 12, 14, 15, 17) If: 1.5 A.
Features
AN44069A-VF features: (1)4-phase input control (W1-2 phase excitation enabled); (2)Built-in CR chopping (with frequency selected); (3)Built-in thermal protection and low voltage detection circuit; (4)Built-in 5 V power supply.
Diagrams

![]() |
![]() AN44065A-VF |
![]() |
![]() IC DC MOTOR DRIVER H-BRIDGE SMD |
![]() Data Sheet |
![]()
|
|
||||||||||||||
![]() |
![]() AN44075A-VF |
![]() |
![]() IC STEPPER MOTOR DRIVER 34-SOP |
![]() Data Sheet |
![]()
|
|
||||||||||||||
(China (Mainland))









