Product Summary
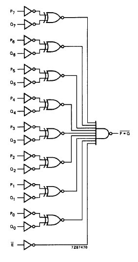
The 74HCT688D is a high-speed Si-gate CMOS device and is pin compatible with low power Schottky TTL(LSTTL). It is specified in compliance with JEDEC standard no. 7A. The 74HCT688D is a 8-bit magnitude comparator. It performs comparison of two 8-bit binary or BCD words.
Parametrics
74HCT688D characteristics: (1)tPHL/ tPLH propagation delay Pn, Qn to P = Q: Tamb=+25℃: typ=20ns, max=34ns; Tamb=-40 to +85℃: max=43ns; Tamb=-40 to +125℃: max=51ns; (2)tPHL/ tPLH propagation delay E to P = Q: Tamb=+25℃: typ=18ns, max=24ns; Tamb=-40 to +85℃: max=30ns; Tamb=-40 to +125℃: max=36ns; (3)tTHL/ tTLH output transition time: Tamb=+25℃: typ=7ns, max=15ns; Tamb=-40 to +85℃: max=19ns; Tamb=-40 to +125℃: max=22ns.
Features
74HCT688D features: (1)Compare two 8-bit words; (2)Output capability: standard; (3)ICC category: MSI.
Diagrams

| Image | Part No | Mfg | Description | ![]() |
Pricing (USD) |
Quantity | ||||||||||||
|---|---|---|---|---|---|---|---|---|---|---|---|---|---|---|---|---|---|---|
![]() |
![]() 74HCT688D |
![]() NXP Semiconductors |
![]() Comparator ICs COMPARATOR 8BIT MAG MAGNTD |
![]() Data Sheet |
![]() Negotiable |
|
||||||||||||
![]() |
![]() 74HCT688D,652 |
![]() NXP Semiconductors |
![]() Comparator ICs COMPARATOR 8BIT MAG |
![]() Data Sheet |
![]()
|
|
||||||||||||
![]() |
![]() 74HCT688D,653 |
![]() NXP Semiconductors |
![]() Comparator ICs 8-BIT MAGNITUDE COMPARATOR |
![]() Data Sheet |
![]()
|
|
||||||||||||
![]() |
![]() 74HCT688DB,112 |
![]() NXP Semiconductors |
![]() Comparator ICs 8-BIT MAGNITUDE |
![]() Data Sheet |
![]()
|
|
||||||||||||
![]() |
![]() 74HCT688DB,118 |
![]() NXP Semiconductors |
![]() Comparator ICs 8-BIT MAGNITUDE |
![]() Data Sheet |
![]()
|
|
||||||||||||
![]() |
![]() 74HCT688DB |
![]() NXP Semiconductors |
![]() Comparator ICs 8-BIT MAGNITUDE COMPARATOR |
![]() Data Sheet |
![]() Negotiable |
|
||||||||||||
![]() |
![]() 74HCT688DB-T |
![]() NXP Semiconductors |
![]() Comparator ICs 8-BIT MAGNITUDE COMPARATOR |
![]() Data Sheet |
![]() Negotiable |
|
||||||||||||
(China (Mainland))









