Product Summary
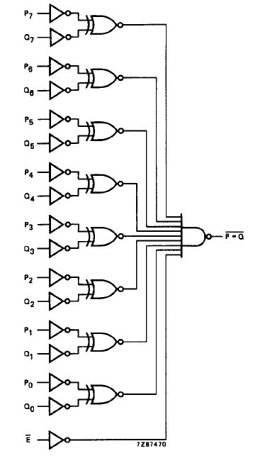
The 74HC688 is a high-speed Si-gate CMOS device and is pin compatible with low power Schottky TTL(LSTTL). It is specified in compliance with JEDEC standard no. 7A. The 74HC688 is a 8-bit magnitude comparator. It performs comparison of two 8-bit binary or BCD words.
Parametrics
74HC688 characteristics: (1)tPHL/ tPLH propagation delay Pn, Qn to P = Q: Tamb=+25℃: typ=55ns, max=170ns; Tamb=-40 to +85℃: max=215ns; Tamb=-40 to +125℃, max=255ns; VCC=2.0V; (2)tPHL/ tPLH propagation delay E to P = Q: Tamb=+25℃: typ=28ns, max=120ns; Tamb=-40 to +85℃: max=43ns; Tamb=-40 to +125℃, max=51ns; VCC=2.0V; (3)tTHL/ tTLH output transition time: Tamb=+25℃: typ=19ns, max=75ns; Tamb=-40 to +85℃: max=95ns; Tamb=-40 to +125℃, max=110ns; VCC=2.0V.
Features
74HC688 features: (1)Compare two 8-bit words; (2)Output capability: standard; (3)ICC category: MSI.
Diagrams

| Image | Part No | Mfg | Description | ![]() |
Pricing (USD) |
Quantity | ||||||||||||
|---|---|---|---|---|---|---|---|---|---|---|---|---|---|---|---|---|---|---|
![]() |
![]() 74HC688D |
![]() NXP Semiconductors |
![]() Comparator ICs 8-BIT MAGNITUDE COMP |
![]() Data Sheet |
![]() Negotiable |
|
||||||||||||
![]() |
![]() 74HC688D,652 |
![]() NXP Semiconductors |
![]() Comparator ICs 8-BIT MAGNITUDE COMP |
![]() Data Sheet |
![]()
|
|
||||||||||||
![]() |
![]() 74HC688D,653 |
![]() NXP Semiconductors |
![]() Comparator ICs 8-BIT MAGNITUDE COMPARATOR |
![]() Data Sheet |
![]()
|
|
||||||||||||
![]() |
![]() 74HC688DB |
![]() NXP Semiconductors |
![]() Comparator ICs 8-BIT MAGNITUDE COMPARATOR |
![]() Data Sheet |
![]() Negotiable |
|
||||||||||||
![]() |
![]() 74HC688DB,112 |
![]() NXP Semiconductors |
![]() Comparator ICs 8-BIT MAGNITUDE |
![]() Data Sheet |
![]()
|
|
||||||||||||
![]() |
![]() 74HC688DB,118 |
![]() NXP Semiconductors |
![]() Comparator ICs 8-BIT MAGNITUDE |
![]() Data Sheet |
![]()
|
|
||||||||||||
![]() |
![]() 74HC688DB-T |
![]() NXP Semiconductors |
![]() Comparator ICs 8-BIT MAGNITUDE COMPARATOR |
![]() Data Sheet |
![]() Negotiable |
|
||||||||||||
![]() |
![]() 74HC688N,652 |
![]() NXP Semiconductors |
![]() Comparator ICs COMPARATOR 8BIT MAG MAGNITD |
![]() Data Sheet |
![]()
|
|
||||||||||||
(China (Mainland))










