Product Summary
The H0013NL is a 10/100 PC card lan magnetics module.
Parametrics
H0013NL Specifications: (1)Insertion Loss(dB max) 100KHz-100MHz: -0.9; (2)Return Loss(dB min): 30 MHz: -16; 60 MHz: -12; 80 MHz: -11; (3)Differential to Common Mode Rejection(dB min): 30 MHz: -35; 50 MHz: -33; 100MHz: -20; (4)Crosstalk(dB min): 30 MHz: -50; 62 MHz: -45; 100 MHz: -40; (5)Hipot(Vrms min): 1500.
Features
H0013NL features: (1)RoHS peak reflow temperature rating 245℃; (2)Low profile packages from .094 (2,39mm) to .078(1,98mm) for PC card and cardbus applications.
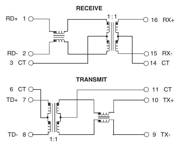
Diagrams

| Image | Part No | Mfg | Description | ![]() |
Pricing (USD) |
Quantity | ||||||||||||
|---|---|---|---|---|---|---|---|---|---|---|---|---|---|---|---|---|---|---|
![]() |
![]() H0013NL |
![]() Pulse |
![]() Transformers Audio & Signal MINI-PCI SGL |
![]() Data Sheet |
![]()
|
|
||||||||||||
![]() |
![]() H0013NLT |
![]() Pulse |
![]() Transformers Audio & Signal MINI-PCI SGL |
![]() Data Sheet |
![]()
|
|
||||||||||||
(China (Mainland))










